Volt-second capacity indicates how high an input voltage a switching transformer can withstand and how long it lasts. Under the condition of a certain volt-second capacity of the switching transformer, the higher the input voltage, the shorter the time the switching transformer can withstand the impact. On the contrary, the lower the input voltage, the longer the switching transformer can withstand the impact; and at a certain operating voltage Under the conditions, the greater the volt-second capacity of the switching transformer, the lower the magnetic flux density in the core of the switching transformer, and the core of the switching transformer is less likely to be saturated.
By measuring the volt-second capacity of the switching transformer, we can know whether the iron core of the switching transformer is working exactly at the optimal magnetic flux density position; and whether the duty cycle, or operating frequency, is reasonable; we can also check the iron core of the switching transformer. Is the core air gap length obtained appropriately?
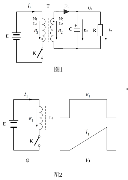
Figure 1 is the working principle diagram of a flyback switching power supply. Currently, more than 70% of switching power supplies use flyback switching transformer output power supplies. The so-called flyback switching transformer output power supply means that when the primary coil of the switching transformer is excited by the DC pulse voltage, the secondary coil of the switching transformer does not provide energy output to the load. Only after the excitation voltage of the primary coil of the switching transformer disappears, the switch The magnetic energy stored in the transformer core is converted into counter electromotive force through the secondary coil to provide power output to the load. This switching power supply is called a flyback switching power supply.
In Figure 1, when the input voltage E is applied to the switching transformer primary coil N1At both ends of1. The equivalent circuit is shown in Figure 2-a). Figure 2-b) is the voltage across the inductor and the flow through the inductor L when the switch is turned on.1of current.

It can be seen from Figure 2 that the current flowing through the switching transformer is only the excitation current, that is, all the magnetic flux in the core of the switching transformer is generated by the excitation current. If the inductance of the primary coil of the switching transformer is constant, or the magnetic permeability of the core of the switching transformer remains constant forever; then, when the control switch is turned on, the excitation current flowing through the primary coil of the switching transformer will increase linearly with time. Increases, the magnetic flux in the switching transformer core also increases linearly with time. According to the electromagnetic induction theorem:
e1 =L1dtd =N1dtdφ = E——K on period (1)
In the formula e1is the electromotive force generated by the primary coil of the switching transformer, L1is the inductance of the primary coil of the switching transformer, φ is the magnetic flux in the core of the switching transformer, and E is the input voltage at both ends of the primary coil of the switching transformer. The magnetic flux φ can also be expressed as:
φ = k×S×B (2)
In the above formula, k is a coefficient related to the unit system, S is the magnetic permeability area of the switching transformer core, and B is the magnetic induction intensity, also called magnetic flux density, that is, the magnetic flux per unit area.
Substituting equation (2) into equation (1) and integrating:
BSdBmBr∫k = dtNt∫01Ek (3)
From this we get:
)(10E18rmBBSN−=τ (4)
Or
VT = E×τ = kS(Bm-Br)N1 (5)
(4) Formula is to calculate the primary coil N of the flyback switching transformer1Formula for number of winding turns. In the formula, N1is the switching transformer primary coil N1The minimum number of turns of the winding, S is the magnetic permeability area of the switching transformer core, unit: square centimeter; Bm is the maximum magnetic induction intensity of the switching transformer core, unit: Gauss; Br is the residual magnetic induction intensity of the switching transformer core, unit: Gauss), Br is generally referred to as residual magnetism; τ = Ton, is the turn-on time of the control switch, referred to as pulse width, or the width of the power switch conduction time, in seconds; E is the operating voltage, in volts. The exponent in the formula (k=108) is a unified unit. Different unit systems are used, and the value of the index is also different. The CGS unit system is used here, that is: length is centimeters (cm), magnetic induction intensity is Gauss (Gs), and the unit of magnetic flux is Maxwell (Mx) .
(5) In the formula, E×τ is the volt-second capacity of the switching transformer, that is, the volt-second capacity is equal to the product of the input pulse voltage amplitude and the pulse width. Here we express the volt-second capacity as VT.
The volt-second capacity VT indicates: how high the input voltage and how long a switching transformer can withstand the impact.
Under the condition of a certain volt-second capacity of the switching transformer, the higher the input voltage, the shorter the time the switching transformer can withstand the impact. On the contrary, the lower the input voltage, the longer the switching transformer can withstand the impact; and in a certain operation Under voltage conditions, the greater the volt-second capacity of the switching transformer, the lower the magnetic flux density in the core of the switching transformer, and the core of the switching transformer is less likely to be saturated.
When the core area of the switching transformer is fixed, the volt-second capacity of the switching transformer is mainly determined by the magnetic flux increment ⊿B (⊿B = Bm-Br) and the number of turns N of the primary coil of the switching transformer1To decide.
In addition, we know that the magnetic induction intensity is determined by the magnetic field intensity, that is, the magnetic flux increment ⊿B is also determined by the magnetic field intensity. As shown in Figure 3.

In Figure 3, the dotted line B is the initial magnetization curve of the switching transformer core. The so-called initial magnetization curve is the magnetization curve when the switching transformer core is not magnetized yet and is used for the first time. Once the switching transformer core is magnetized, The initial magnetization curve no longer exists. Therefore, in switching transformers, the magnetization of the switching transformer core generally does not work according to the initial magnetization curve. Instead, as the magnetic field intensity increases and decreases, the magnetic induction intensity will follow the magnetization curves ab and ba, or the magnetization curve cd. and dc, changing back and forth. When the magnetic field intensity increases, the magnetic field intensity magnetizes the switching transformer core; when the magnetic field intensity decreases, the magnetic field intensity demagnetizes the switching transformer core.
The magnetic field strength increases from 0 to H1, the corresponding magnetic induction intensity is given by Br1沿着磁化曲线ab增加到Bm1,而当磁场强度由H1下降到0时,对应的磁感应强度将由BM1沿着磁化曲线ba下降到Br1。如果不考虑磁通的方向,磁通的变化量就是⊿B1 ,即磁通增量⊿B1 = Bm1-Br1。
If the magnetic field intensity further increases, it increases from 0 to H2, then the magnetization curve will proceed along the curves cd and dc, corresponding to the generated magnetic flux increment ⊿B2 =Bm2-Br2.
It can be seen from Figure 3 that corresponding to different magnetic field strengths, that is, different excitation currents, the magnetic flux change amount is also different, and the magnetic flux change amount and magnetic field strength are not linearly related. Figure 4 is a functional graph of mutual changes between magnetic induction intensity and magnetic field intensity. In Figure 4, curve B is a curve corresponding to changes in magnetic induction intensity and magnetic field intensity; curve μ is a curve corresponding to changes in magnetic permeability and magnetic field intensity. Where: HBμ= (6)

It can be seen from Figure 4 that the place with the largest magnetic permeability is not the place where the magnetic induction intensity or magnetic field intensity is the smallest or the largest, but is located at a certain intermediate value of the magnetic induction intensity or magnetic field intensity. When the magnetic permeability reaches the maximum value, the magnetic permeability will decrease rapidly as the magnetic induction intensity or magnetic field intensity increases; when the magnetic permeability drops to close to 0, we think that the switching transformer core has begun to be saturated. As shown in the figure Bs and Hs.
Since the variation range of magnetic permeability is too large and it is easy to saturate, the switching transformer used in general switching power supplies must leave an air gap in the middle of the switching transformer core. Figure 5-a) is the schematic diagram of the switching transformer core with an air gap in the middle. Figure 5-b) is the magnetization curve of the switching transformer core with an air gap in the middle, and the calculation of the optimal air gap of the switching transformer core. Schematic of length.
In Figure 5-b), the dotted line is the magnetization curve of the core of the transformer without an air gap switch, the solid line is the magnetization curve of the core of the transformer with an air gap switch; curve b is the magnetization curve of the core of the transformer with an air gap switch, etc. Effective magnetization curve, its equivalent permeability, that is, the slope of the curve is βtg; aμ is the average permeability of the core of the switching transformer with an air gap; cμ is the permeability of the core of the switching transformer without an air gap.
It can be seen from Figure 5 that the larger the air gap length of the switching transformer core is, the smaller its average magnetic permeability will be, and the switching transformer core will not be easily saturated; but the smaller the average magnetic permeability of the switching transformer core, The greater the leakage inductance between the primary and secondary coils of the switching transformer. Therefore, the design of the air gap length of the switching transformer core is a relatively complex calculation process, and it must be comprehensively considered based on the output power of the switching power supply and the voltage variation range (duty cycle variation range). However, we can measure the volt-second capacity of the switching transformer and check whether the air gap length of the switching transformer core is appropriate. Regarding the design of the air gap length of the switching transformer core, we will leave it to be analyzed in detail when we have the opportunity in the future.
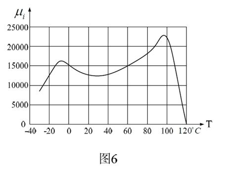
By the way, the μ curve showing magnetic permeability in Figure 4 is not static, and is greatly affected by temperature. Since the switching transformer core is also a semiconductor material (metal oxide), many semiconductor devices are made of metal oxide, such as thermistors, field effect transistors, etc. The characteristic of semiconductor materials is that they are very sensitive to temperature. When the temperature rises to a certain range, the resistivity of the switching transformer core will become smaller and begin to conduct electricity.
Therefore, when the temperature rises to a certain range, a large eddy current loss will occur inside the switching transformer core, and the effective magnetic permeability of the core will drop rapidly. This temperature point where the effective magnetic permeability of the switching transformer core drops rapidly is called the Curie temperature point. In practical applications, we can define the temperature when the effective magnetic permeability of the switching transformer core drops to 70% of the maximum value as the Curie temperature point.
As shown in Figure 6. Figure 6 shows the initial permeability of the H5C4 series cores made of high permeability material from Japan's TDK Company.iThe Curie temperature of μ changes with temperature is approximately 105°C.

It can be seen from Figure 6 that the ambient temperature of the switching transformer magnetic core has a great impact on the performance of the switching transformer. But when we use switching transformers, few people consider or detect the Curie temperature of the switching transformer core. At present, a large number of ferrite cores are used in general switching transformers. The Curie temperature of this ferrite core is generally around 120°C. Therefore, when we design the switching transformer, it is best not to exceed 110°C. .





















